
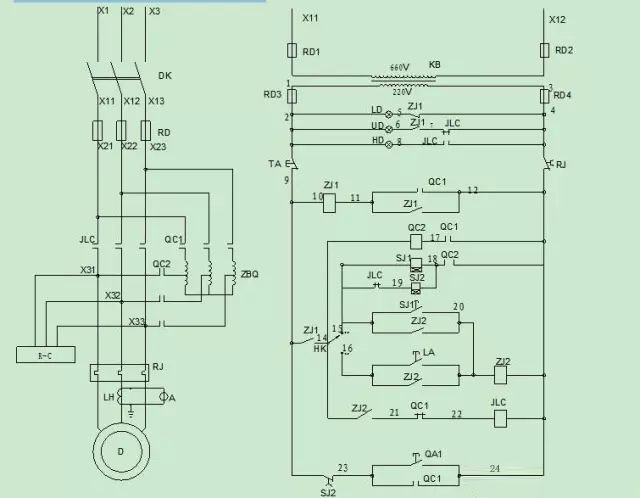
生产矿井防止有害气体危害的措施
2019-06-01
为了防止生产矿井中有害气体的危害,应采取以下六项措施,它们分别为: 加强通风冲淡瓦斯、 坚持检查争取主动、 喷雾洒水、 禁止进入险区,避免窒息、 及时抢救减少死亡、 抽放...
2019年5月份以来z新煤炭价格走向报道
2019-05-31
从上周五到现在,港口煤炭价格出现下跌;目前,跌幅已达8元/吨。进入本周,港口市场煤价格没有出现跌幅收窄或者止跌企稳趋势,而是继续大幅深跌;预计港口市场煤价格将跌至六月上...
矿井发生事故后现场的自救与互救概念和救助办法
2019-05-30
矿井发生事故后,矿山救护队不可能立即到达事帮地点。实践证明,矿工如能在事故初期及时采取措施,正确开展自救互救,可以减小事故危害程序,减少人员伤亡。大量事实证明,当...
无视他人生命a全!四川这个煤矿涉嫌严重违法被通报!
2019-05-29
近日,四川省安办、应急管理厅通报了威远县红炉井煤矿存在重大a全隐患并涉嫌严重违法的情况。私挖滥采,甚至越过高速公路附近警戒线开采,给交通设施a全造成威胁 据调查,该...
常用的截齿型号有哪些-买截齿的时候应该怎么去选择
2019-05-28
什么是截齿?截齿主要用于采煤机、掘进机当中,一些挖掘机、铣刨机中也会用到截齿。但不同机型、不同施工环境,所要求的截齿型号是不一样的。那么,常用的截齿型号有哪些?分别...
发改委:希望动力煤价格整体下降-大型煤企或将带头降价!
2019-05-27
今日榆林各矿销售情况一般,煤炭价格整体维稳运行,神木大砭窑煤矿水洗末煤价格下调10元/吨。由于近期下游采购减缓,当前榆林各矿库存较高,26日之后,神木煤矿将重新领取煤管...
煤矿a全生产口诀大全,每一个矿工必记的内容
2019-05-26
1、通用部分 a全比作天,大家都有关。 党政和工团,齐抓又共管。 a全放第一,时刻要牢记。 身边无事故,自身得保护。 每个上岗工,a全不能松。 只要入了井,耳朵八面听。 精...
煤矿浅采盘区掘进作业有哪些a全要求
2019-05-24
煤矿作业中,在 浅采盘区掘进作业时有哪些a全要求?具体有以下十五点,这些掘进作业时的a全要求内容为: 1、岩石较硬,但顶板裂隙发育,岩石稳固性差进入工作面后要认真清理...
未来采矿不可不看的六大趋势
2019-05-23
随着工业的发展,对矿产资源的需求不断增加,目前不管是发达国家还是发展中国家都把占有资源、开发资源作为战略性措施来考虑。因此,矿业开发涌现了大量g效、a全、低成本的...
49条煤矿井下机电习惯性违章
2019-05-22
煤矿a全49条煤矿井下机电习惯性违章: 1、一人开多部设备。 2、不发信号或信号不清晰就随意停开皮带、溜子等设备。 3、机电设备不按规定注油,注油时不用注油器。 4、用铁丝代替...
平巷(硐室)施工a全要求有哪些?
2019-05-21
平巷(硐室)施工,必须严格按设计和《矿山井巷工程施工及验收规范》(GB/J213-90)施工;在施工前必须编制施工组织设计,在流砂、淤泥、砂砾等不稳固的含水表土层中施工时,必须编制专...
